
Traktorin kytkimen huoltotoimet ja säätäminen ehkäisevät kytkinremontteja – näillä toimenpiteillä pidennät kytkimen ikää
Pitämällä kytkinvivusto oikeassa säädössä ja hoitamalla kytkimen muut huollot säännöllisesti voi saada kytkimelle enemmän ikää eikä hankalaan kytkinremonttiin tule tarvetta liian usein.
Valmet 305 -traktorin kytkinpolkimen vapaaliikkeen tulee olla 20–25 mm. Voimanoton kytkinvivun vapaaliikkeen tulee olla 30–40 mm. Molemmat pitää tarkastaa 400 tunnin välein. Kuva: Tapio VesterinenMekaaninen kytkin toimii aina samalla periaatteella, oli kysymys autosta, traktorista tai mistä tahansa koneesta, jossa tehoa on kymmenistä hevosvoimista muutamaan sataan. Kytkin muodostuu moottorin ja vaihteiston akseleiden mukana pyörivistä teräspinnoista, joiden kautta voima siirtyy moottorilta vaihteistoon. Teräspintojen välissä on kitkamateriaalista tehty kytkinlevy. Voima siis välittyy aina kitkan avulla.
Kytkimet on pääsääntöisesti rakennettu olemaan perustilassa kiinni. Asia on järjestetty siten, että vaihteiston puoleinen levy puristuu jousien voimalla moottorin puoleista osuutta – joka yleensä on yhtä kuin vauhtipyörä – vasten ja irrotus tapahtuu joko polkimen, vivun tai sylinterin voimalla.
Kytkimen kitkamateriaalina voidaan käyttää kuituja sisältävästä massasta tehtyjä kitkapintoja tai muun muassa keraamisia materiaaleja. Tavoitteena on aina saavuttaa sopiva luistatettavuus, joka mahdollistaa pehmeän ja voimansiirtoa rasittamattoman vaihtamisen.
Jokaiseen kytkimellä tehtyyn kytkentään liittyy pieni määrä luistoa. Eniten sitä on luonnollisesti liikkeellelähdöissä. Tämä luisto aiheuttaa kytkinlevyn kitkapinnan kulumista, joka puolestaan ohentaa kytkinlevyä ja tuo vaihteiston puolella olevan kytkimen puoliskon eli paineasetelman lähemmäs moottoria.
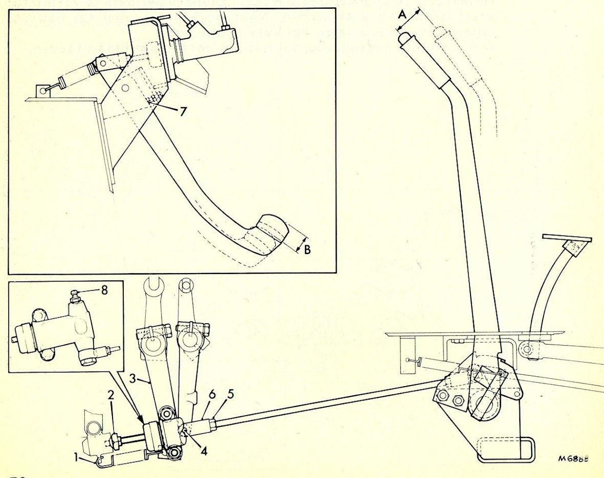
Leyland 262 Q-cab -traktorissa on nestevälitteinen kytkinmekanismi, mutta se edellyttää vastaavan säädön kuin täysin mekaaniseesa kykimessä. Säätö tapahtuu kiertämällä työsylinterin työntötangossa olevaa mutteria (2). Voimanoton kytkimen säätö tehdään tavalliseen tapaan haarukkaa (6) kiertämällä. Kuva: ValmistajaKulumisesta seuraa säätötarve
Tämä on se asia, mikä aiheuttaa tarpeen säätää kytkintä. Kytkinlevyn ohentuminen ilmenee kytkinpolkimessa siinä, että kytkin irrottaa aikaisemmin eli pienemmällä polkimen liikkeellä.
Paineasetelmassa kytkinlevyn ohentuminen näkyy siinä, että kytkintä avaavat sakaravivut tulevat yhä enemmän ylöspäin ja lähemmäs painelaakeria. Kulumisen edetessä sakarat lopulta alkavat nojata painelaakeriin eikä kytkin enää sulkeudu 100-prosenttisesti.
Jos mitään ei tehdä, lakkaa kytkin lopulta pitämästä ja moottorin tuottama voima häviää luistavaan kytkimeen. Jo tätä ennen on aiheutettu painelaakerin ennenaikaista kulumista, sillä sitä ei ole tarkoitettu kantamaan kytkimen kuormaa kuin ainoastaan kytkimen avaamisen aikana.
Aikaisemmin traktoreiden ja muiden vastaavien koneiden käyttöohjekirjat neuvoivat tarkistamaan kytkimen säädön 50 tunnin välein. Todellisessa elämässä näin toimittiin harvoin. Sittemmin suositukset ovat hieman lieventyneet. Esimerkiksi Valtran 600–900 -sarjan huolto-ohjeessa tarkastusväli on 500 tuntia.
Tuhannessa tunnissa kytkinlevystä poistuu karkeasti arvioiden puoli milliä. Se merkitsee 2–3 mm vähentymistä painelaakerin välyksessä. Koska kytkinmekanismi on rakennettu suurin piirtein 10:1 välityksellä, merkitsee 2–3 mm painelaakerilla 20–30 mm polkimen luona.
Kuluminen voi olla paljon nopeampaa, jos kyseessä on traktori, jolla tehdään esimerkiksi etukuormaajatyötä.
Valmetin tai Valtran kytkintä säädettäessä ei haarukan tappia tarvitse irrottaa. Säätö tehdään löysäämällä lukitusmutteri (A) ja kiertämällä säätötankoa kuusiokannasta (B). Säätötangossa on rajoitinholkki (C), joka osoittaa, koska säätövara on käytetty loppuun. Kytkimen kitkapintojen ollessa uudet on säätövara kuvaan merkitty 17–19 mm. Kuva on Valtran 600–900 -sarjan ohjekirjasta. Erona vanhempiin ohjekirjoihin kehotetaan tässä käyttämään säätämiseen säätötangon päässä olevaa mutteria eikä keskellä olevaa rajoitinholkkia. Kuva: ValmistajaEi liian vähän eikä liikaa
Kytkimen oikean toiminnan kannalta on ehdottoman tärkeää, että siinä on riittävä välys painelaakerin ja paineasetelman irrotussakaroiden välissä. Tämän välyksen voi tuntea painamalla kytkinpoljinta hitaasti alaspäin. Välys on käytetty, kun poljin muuttuu raskaammaksi. Sen jälkeen painelaakeri alkaa painaa paineasetelman irrotussakaroita kohti kytkinlevyä.
Tavallisesti kytkinpolkimen tyhjäliikkeen pitäisi olla vähintään 20 mm ja enintään 40 mm. (Huomioi, että tämä tyhjäliike on eri asia kuin vivuston niveltappien väljyydestä aiheutuva vivuston klappi.)
Vaijerivälitteisessä kytkinmekanismissa säätö tehdään vaijerin toisessa päässä olevien säätömuttereiden avulla. Kuva on Ford 30 -sarjan käyttöohjeesta. Suositeltu vapaaliike on 28–41 mm ja tarkastusväli 50 h. Kuva: ValmistajaJos polkimen tyhjäliike on enää 10 mm, täytyy kytkin säätää heti. Jos taas tyhjäliike on 50 mm tai enemmän on vaarana, että kytkimen painaminen pohjaan ei johda irrotussakaroiden painumiseen riittävän syvälle ja kytkin ei avaudu täydellisesti.
Kytkimen irrottaminen vaatii silloin polkimen painamisen syvemmälle kuin on tarkoitettu. Pahimmassa tapauksessa voi kytkimen vajaasta irrotuksesta seurata vaihteiston vaurioituminen.
Syynä liian suureen liikevaraan on yleensä kuluneet vivuston nivelet eikä pelkkä säätö riitä poistamaan ongelmaa. Kannattaa katsoa, että kytkinpolkimen liikevara on kokonaan käytössä, mutta liikevaran lisääminen rajoitinruuvia avaamalla on vain väliaikainen apu.
Monissa nestevälitteisissä kytkimissä ei painelaakerin liikevaraa varten tarvitse tehdä mitään erillisiä säätöjä. Painelaakeria liikuttava työsylinteri palautuu takaisin lepoasentoon, kun paineen tulo poljinsylinteriltä lakkaa. Nestevälitteiseenkin järjestelmään saattaa kuitenkin liittyä esimerkiksi vaijerilla toteutettu salpalaitteisto (Ford), joka saattaa tarvita säätöä.
Traktoreissa yleinen kytkinrakenne on niin sanottu parikytkin, jossa on erikseen kytkinlevy ajokytkintä ja voimanoton kytkintä varten. Parikytkimessä on siis kaksi tavallista kytkintä sijoitettuna samaan tilaan moottorin vauhtipyörän taakse ja kumpaakin kytkintä voidaan käyttää toisistaan riippumatta.
Valmetin kytkimen säätö tapahtuu kiertämällä säätötankoa. Kytkimen kuluessa säätötangon pituutta pitää lyhentää. Kuva: Tapio VesterinenTavallisesti toisen kytkimen säätö vaikuttaa myös toiseen kytkimeen. Siksi on tärkeää tarkistaa varsinaisen kytkimen säädön jälkeen, että voiman oton kytkin toimii oikein.
Käytännön toteutuksia on monenlaisia. Voimanoton kytkimen rakenne voi olla joissain tapauksissa sellainen, että säätö edellyttää erikoistyökalujen käyttämistä ja käyttöohjekirjassa on siksi käsketty jättämään se asiaan perehtyneen huollon tehtäväksi.
Artikkelin aiheet- Osaston luetuimmat



